ÒøÓéÓÅÔ½»á×ÊѶ FOVO NEWS
20190719
ƾ֤ÇéÐα£»£»¤²¿¡¶ÆóÒµÊÂÒµµ¥Î»ÇéÐÎÐÅÏ¢¹ûÕæ²½·¥¡·¼°¡¶ÅÅÎÛÔÊÐíÖ¤¡·Ïà¹ØÒªÇ󣬣¬£¬É½¶«ÒøÓéÓÅÔ½»áʳÎïÉú³¤ÓÐÏÞ¹«Ë¾ÏÖ½«µÚ¶þ¼¾¶ÈÇéÐμà²â±¨¸æÐÅÏ¢¹«Ê¾ÈçÏ£º£º£º
ʳÎï¶þ³§ ·ÏÆø¼à²â±¨¸æ







ʳÎï¶þ³§ ¹øÂ¯·ÏÆø¡¢¡¢¡¢µØÏÂË®¡¢¡¢¡¢ÔëÉù¼à²â±¨¸æ






ʳÎï¶þ³§ ¹øÂ¯·ÏË®¼à²â±¨¸æ



ʳÎï¶þ³§ 20¶Ö¹øÂ¯µÚ¶þ¼¾¶ÈÔÚÏ߱ȶԱ¨¸æ


























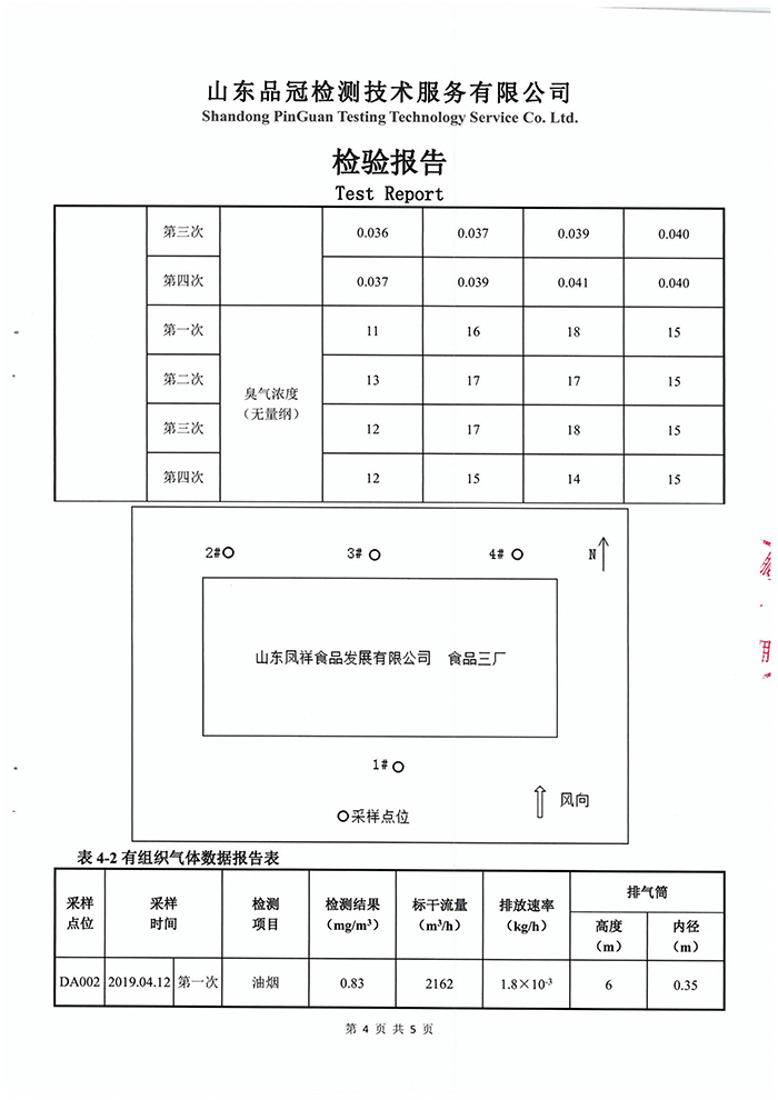
ʳÎïÈý³§ ·ÏÆø¼à²â±¨¸æ






ʳÎïÈý³§ µØÏÂË®ÔëÉù¼à²â±¨¸æ




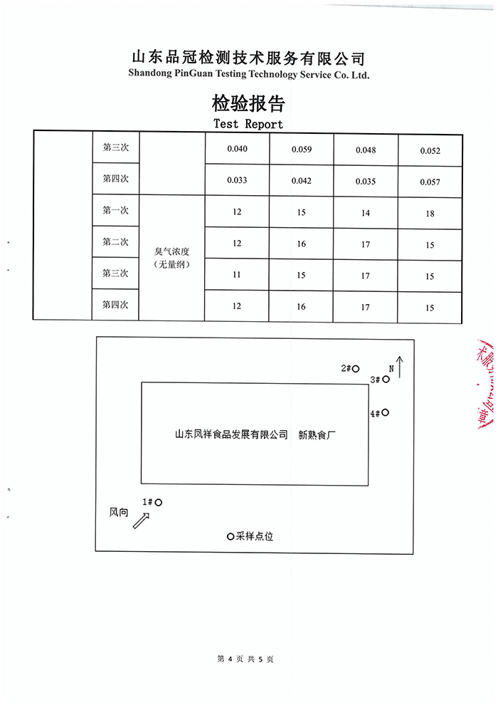
ÐÂÊìʳ³§ ·ÏÆø¼à²â±¨¸æ






ÐÂÊìʳ³§ µØÏÂË®ÔëÉù¼à²â±¨¸æ





ÐÂÊìʳ³§ È¼Æø¹øÂ¯·ÏÆø¼à²â±¨¸æ


